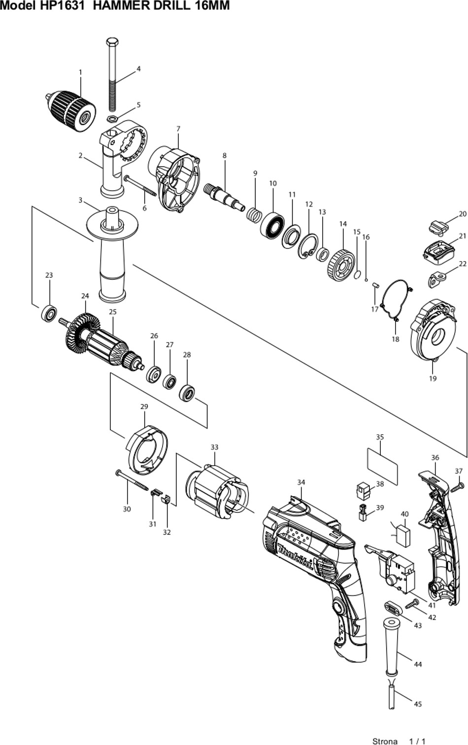
HP1631

Poniżej schematu znajdują się oryginalne części Makita do wiertarki udarowej HP1631. Jeżeli na tej stronie brakuje części zamiennej której potrzebujesz - poinformuj nas o tym, zamieścimy ją najszybciej jak to możliwe i poinformujemy Cię o tym. W przypadku wycofania ze sprzedaży danej części zamiennej i zastąpienia jej przez producenta nowym produktem, zamówienie na tą część możemy zrealizować w oparciu o nową cenę producenta. O takim fakcie poinformujemy niezwłocznie, w celu podjęcia przez Ciebie decyzji o zakupie na nowych warunkach.
uchwyt wiertarski Makita samozaciskowy 196193-0
158,67 zł brutto / szt129,00 zł netto
- Producent: Makita Corporation
- Numer katalogowy: MA-196193-0
- Dostępność: Zazwyczaj do 5 dni roboczych po złożeniu i opłaceniu zamówienia
uchwyt wiertarski samozaciskowy Makita 196193-0 1,5 - 13 mm, 1/2 cala - 20 UNF
szt Do koszyka
podstawa rękojeści Makita 459485-1 (zastąpiła 417630-4)
18,33 zł brutto / szt.14,90 zł netto
- Producent: Makita Corporation
- Numer katalogowy: MA-459485-1
- Dostępność: Zazwyczaj do 5 dni roboczych po złożeniu i opłaceniu zamówienia
podstawa rękojeści Makita 459485-1 (zastąpiła 417630-4) do DHR202 DHR241 DHR264 DP4011 HP1630 HP1631 HP1640 HP1641 HP1641F HP2050 HP2051 HP2071 HR262TD Jeżeli posiadasz stary typ podstawy rękojeści to konieczna jest też wymiana starej śruby na śrubę…
szt. Do koszyka
rękojeść Makita 152489-9
6,44 zł brutto / szt5,24 zł netto
- Producent: Makita Corporation
- Numer katalogowy: MA-152489-9
- Dostępność: Zazwyczaj do 5 dni roboczych po złożeniu i opłaceniu zamówienia
rękojeść Makita 152489-9 (zam. 152521-9) do HP1630 HP1631 HP1640 HP1641 HP1641F HP1631 HP1630 8450 8451 HP1620 HP1621 HP1621F HP2030 HP2031 HP2032 HP2033 HP2041 HP1500 HP1501
szt Do koszyka
śruba Makita 265495-6
7,29 zł brutto / szt.5,93 zł netto
- Producent: Makita Corporation
- Numer katalogowy: MA-265495-6
- Dostępność: Zazwyczaj do 5 dni roboczych po złożeniu i opłaceniu zamówienia
śruba Makita 265495-6 do HP1631 HP1630 MT811 MT814 MT815 MT817 MT818
szt. Do koszyka
podkładka Makita 345280-4
3,33 zł brutto / szt.2,71 zł netto
- Producent: Makita Corporation
- Numer katalogowy: MA-345280-4
- Dostępność: Zazwyczaj do 5 dni roboczych po złożeniu i opłaceniu zamówienia
podkładka Makita 345280-4 do HR262TD HR2432 HR2450T DP4011 HP1640 HP1641 HP1641F HP2050 HP2050F HP2051 HP2051F HP2070 HP2070F HP2071 HP2071F HR2020 HR2440 HR2440F HR2450 HR2450F HR2230 HR2460 HR2470 HR2470T HP1631 HP1630 BHR240 BHR202 BHR241 DHR202 DHR264
szt. Do koszyka
wkręt Makita 266361-0 (265B70-0)
3,33 zł brutto / szt.2,71 zł netto
- Producent: Makita Corporation
- Numer katalogowy: MA-266361-0
- Dostępność: Dostępny od ręki
wkręt Makita 266361-0 (265B70-0) do 9557HN 9558HN BGA452 DGA452 DGA504 DGA506 DGA511 DGA513 DGA514 DGA517 DGA518 DGA521 DPJ180 FS2300 FS2700 FS4000 FS4300 FS6300 GA4540 GA4540R GA5040 GA5040C GA5040R GA5090 GA5092 GA5095 GA6040C GD0600 HP1630 HP1631…
szt. Do koszyka
obudowa przekładni Makita 450619-9
13,04 zł brutto / szt.10,60 zł netto
- Producent: Makita Corporation
- Numer katalogowy: MA-450619-9
- Dostępność: Zazwyczaj do 5 dni roboczych po złożeniu i opłaceniu zamówienia
obudowa przekładni Makita 450619-9 do HP1631 HP1630
szt. Do koszyka
wrzeciono Makita 327376-3 (stare 324223-9)
19,00 zł brutto / szt15,45 zł netto
- Producent: Makita Corporation
- Numer katalogowy: MA-327376-3
- Dostępność: Zazwyczaj do 5 dni roboczych po złożeniu i opłaceniu zamówienia
wrzeciono Makita 327376-3 (stare 324223-9) do HP1630 HP1631 MT811 MT814 MT815
szt Do koszyka
sprężyna Makita 233330-6
4,52 zł brutto / szt.3,67 zł netto
- Producent: Makita Corporation
- Numer katalogowy: MA-233330-6
- Dostępność: Zazwyczaj do 5 dni roboczych po złożeniu i opłaceniu zamówienia
sprężyna Makita 233330-6 do HP1631 HP1630 MT811 MT814 MT815 MT817 MT818
szt. Do koszyka
łożysko kulkowe Makita 211241-5
19,56 zł brutto / szt.15,90 zł netto
- Producent: Makita Corporation
- Numer katalogowy: MA-211241-5
- Dostępność: Dostępny od ręki
łożysko kulkowe Makita 211241-5 do HP1631 HP1630 DGA900 DGA901 GA037G GA038G GA7050R PC5001C 2107F GA9050R MT601 MT811 MT814 MT815 MT904
szt. Do koszyka
pierścień Makita 257246-1
4,52 zł brutto / szt.3,67 zł netto
- Producent: Makita Corporation
- Numer katalogowy: MA-257246-1
- Dostępność: Zazwyczaj do 5 dni roboczych po złożeniu i opłaceniu zamówienia
pierścień Makita 257246-1 do HP1631 HP1630 MT811 MT814 MT815
szt. Do koszyka
pierścień ustalający Makita 962153-2
6,17 zł brutto / szt5,02 zł netto
- Producent: Makita Corporation
- Numer katalogowy: MA-962153-2
- Dostępność: Zazwyczaj do 5 dni roboczych po złożeniu i opłaceniu zamówienia
pierścień ustalający Makita 962153-2 do DDA450 DDA460D HP1630 HP1631
szt Do koszyka
pierścień Makita 257173-2
7,81 zł brutto / szt.6,35 zł netto
- Producent: Makita Corporation
- Numer katalogowy: MA-257173-2
- Dostępność: Zazwyczaj do 5 dni roboczych po złożeniu i opłaceniu zamówienia
pierścień Makita 257173-2 do 5604R DHS660 DHS661 DJS130 DSS610 HP1630 HP1631 HS6601 HS7601 HS7611 MT582 MT601 MT811 MT814 MT815 BJS130 BSS610
szt. Do koszyka
koło zębate Makita 227806-3
31,12 zł brutto / szt.25,30 zł netto
- Producent: Makita Corporation
- Numer katalogowy: MA-227806-3
- Dostępność: Dostępny od ręki
koło zębate Makita 227806-3 do HP1631 HP1630 od 07.2015r
szt. Do koszyka
sprężyna okrągła Makita 233938-6
6,56 zł brutto / szt.5,33 zł netto
- Producent: Makita Corporation
- Numer katalogowy: MA-233938-6
- Dostępność: Zazwyczaj do 5 dni roboczych po złożeniu i opłaceniu zamówienia
sprężyna okrągła Makita 233938-6 do HP1631 HP1630 MT814 MT815
szt. Do koszyka
kołek Makita 256251-5
24,54 zł brutto / szt.19,95 zł netto
- Producent: Makita Corporation
- Numer katalogowy: MA-256251-5
- Dostępność: Zazwyczaj do 5 dni roboczych po złożeniu i opłaceniu zamówienia
kołek Makita 256251-5 do DP4011 HP2050 HP2050F HP2051 HP2051F HP2070 HP2070F HP2071 HP2071F HP1631 HP1630 KP312S 6410 8450 8451 HP2030 HP2031 HP2032 HP2033 HP2040 HP2041 MT811 MT814 MT815 MT817 MT818 HP1500 HP1501
szt. Do koszyka
pierścień uszczelniający Makita 424112-9
3,33 zł brutto / szt.2,71 zł netto
- Producent: Makita Corporation
- Numer katalogowy: MA-424112-9
- Dostępność: Dostępny od ręki
pierścień uszczelniający Makita 424112-9 do HP1631 HP1630 MT814 MT815
szt. Do koszyka
pokrywa obudowy przekładni Makita 158676-8
33,96 zł brutto / szt.27,61 zł netto
- Producent: Makita Corporation
- Numer katalogowy: MA-158676-8
- Dostępność: Zazwyczaj do 5 dni roboczych po złożeniu i opłaceniu zamówienia
pokrywa obudowy przekładni Makita 158676-8 do HP1631 HP1630 - wycofany/ dostępny tylko do wyczerpania zapasów, zamiennik 140G48-3
szt. Do koszyka
przełącznik zmiany obrotów Makita 417819-4
7,29 zł brutto / szt.5,93 zł netto
- Producent: Makita Corporation
- Numer katalogowy: MA-417819-4
- Dostępność: Zazwyczaj do 5 dni roboczych po złożeniu i opłaceniu zamówienia
przełącznik zmiany obrotów Makita 417819-4 do HP1631 HP1630 MT811 MT814 MT815 MT817 MT818
szt. Do koszyka
gniazdo wyłącznika Makita 450621-2
6,56 zł brutto / szt.5,33 zł netto
- Producent: Makita Corporation
- Numer katalogowy: MA-450621-2
- Dostępność: Zazwyczaj do 5 dni roboczych po złożeniu i opłaceniu zamówienia
gniazdo wyłącznika Makita 450621-2 do HP1631 HP1630
szt. Do koszyka
przełącznik suwakowy Makita 345944-0
4,94 zł brutto / szt.4,02 zł netto
- Producent: Makita Corporation
- Numer katalogowy: MA-345944-0
- Dostępność: Zazwyczaj do 5 dni roboczych po złożeniu i opłaceniu zamówienia
przełącznik suwakowy Makita 345944-0 do HP1631 HP1630 MT814 MT815
szt. Do koszyka
łożysko Makita 210007-0 (211031-6 210005-4 210043-6)
29,67 zł brutto / szt.24,12 zł netto
- Producent: Makita Corporation
- Numer katalogowy: MA-210007-0
- Dostępność: Zazwyczaj do 5 dni roboczych po złożeniu i opłaceniu zamówienia
łożysko Makita 210007-0 (211031-6 210005-4 210043-6) do DP3003 DP4001 DP4003 FS2300 FS2700 FS4000 FS4300 FS6300 HP1631 HP1630 DS4011 4131 JN3201 JS3201 LS0714 LS0714L 5008MG KP0810 1911B KP0810C 6905H 6905B 6906 9741 DS4012 GD0603 9237CB GV5010
szt. Do koszyka
wentylator Makita 241869-5
27,84 zł brutto / szt.22,63 zł netto
- Producent: Makita Corporation
- Numer katalogowy: MA-241869-5
- Dostępność: Zazwyczaj do 5 dni roboczych po złożeniu i opłaceniu zamówienia
wentylator Makita 241869-5 do HP1631 HP1630 6842 6841R BHS630 BJR181 BSS610 6830 6832 6833 6834 8450 8451 5621RD DHS630 DJR181 DSS610 HP2040 HP2041 JR180D MT814 MT815 BJR141 HP1500 HP1501
szt. Do koszyka
wirnik Makita 513439-3
117,85 zł brutto / szt.95,81 zł netto
- Producent: Makita Corporation
- Numer katalogowy: MA-513439-3
- Dostępność: Zazwyczaj do 5 dni roboczych po złożeniu i opłaceniu zamówienia
wirnik Makita 513439-3 do HP1631 HP1630 od 07.2015r
szt. Do koszyka
pierścień Makita 681636-0
12,77 zł brutto / szt.10,38 zł netto
- Producent: Makita Corporation
- Numer katalogowy: MA-681636-0
- Dostępność: Dostępny od ręki
pierścień Makita 681636-0 do BO6050 FS2300 FS2700 FS4000 FS4300 FS6300 GA5030R GA5050 GA5050R GD0600 GD0602 HP1630
szt. Do koszyka
łożysko kulkowe Makita 211021-9
34,23 zł brutto / szt.27,83 zł netto
- Producent: Makita Corporation
- Numer katalogowy: MA-211021-9
- Dostępność: Dostępny od ręki
łożysko kulkowe Makita 211021-9 do HR2432 HR2450T 4350FCT 4351CT 4351FCT DA3010F DA3011F DP3003 DP4001 DP4003 DP4011 HP2050 HP2050F HP2051 HP2051F HP2070 HP2070F HP2071 HP2071F HR2020 HR2410 HR2430 HR2440 HR2440F HR2450 HR2450F HP1631 HP1630 JN1601 TW010G
szt. Do koszyka
pierścień gumowy Makita 421808-3
4,52 zł brutto / szt.3,67 zł netto
- Producent: Makita Corporation
- Numer katalogowy: MA-421808-3
- Dostępność: Zazwyczaj do 5 dni roboczych po złożeniu i opłaceniu zamówienia
pierścień gumowy Makita 421808-3 do HP1631 HP1630 MT814 MT815 MT952 MT953 MT962 MT963
szt. Do koszyka
dyfuzor Makita 450620-4
4,94 zł brutto / szt.4,02 zł netto
- Producent: Makita Corporation
- Numer katalogowy: MA-450620-4
- Dostępność: Zazwyczaj do 5 dni roboczych po złożeniu i opłaceniu zamówienia
dyfuzor Makita 450620-4 do HP1631 HP1630 MT814 MT815
szt. Do koszyka
wkręt Makita 266415-3
3,33 zł brutto / szt.2,71 zł netto
- Producent: Makita Corporation
- Numer katalogowy: MA-266415-3
- Dostępność: Dostępny od ręki
wkręt Makita 266415-3 do BO5031 HR2230 HP1631 HP1630 TM3000C MT814 MT815 TM3010C
szt. Do koszyka
ustalacz Makita 344871-8
6,17 zł brutto / szt.5,02 zł netto
- Producent: Makita Corporation
- Numer katalogowy: MA-344871-8
- Dostępność: Zazwyczaj do 5 dni roboczych po złożeniu i opłaceniu zamówienia
ustalacz Makita 344871-8 do 9562CVR 9564H 9564P 9565CLR 9565HR 9565P 9566CVR BO6040 GA4540 GA4540R GA4541 GA5040 GA5040C GA5040R GA5041 GA5041C GA5080R GA6040C GD0800C GD0810C HP1630 HP1631 HR2230 HR2460 HR2470 HR2470T PC5010C PC5010R PO6000C PW5000C…
szt. Do koszyka
pokrywa izolująca Makita 417237-6
8,24 zł brutto / szt.6,70 zł netto
- Producent: Makita Corporation
- Numer katalogowy: MA-417237-6
- Dostępność: Zazwyczaj do 5 dni roboczych po złożeniu i opłaceniu zamówienia
pokrywa izolująca Makita 417237-6 do 9564H 9564P 9565H 9565P 9562CV 9562CVH 9565CV 9565CVL 9565HR 9566C 9566CV 9562CVR 9565CVR 9565CLR 9566CVR BO6040 GA5080R GD0800C GD0810C HP1631 HP1630 PW5000C PW5000CH SG1250 SG1251 TW0200 MT814 MT815
szt. Do koszyka
stojan Makita 621A44-9 (zastąpił 626644-4)
121,98 zł brutto / szt.99,17 zł netto
- Producent: Makita Corporation
- Numer katalogowy: MA-621A44-9
- Dostępność: Zazwyczaj do 5 dni roboczych po złożeniu i opłaceniu zamówienia
stojan Makita 621A44-9 (zastąpił 626644-4) do HP1631 HP1630 MT814
szt. Do koszyka
obudowa silnika Makita 457967-7 (450617-3)
34,62 zł brutto / szt28,15 zł netto
- Producent: Makita Corporation
- Numer katalogowy: MA-457967-7
- Dostępność: Zazwyczaj do 5 dni roboczych po złożeniu i opłaceniu zamówienia
obudowa silnika do HP1630 HP1631 Makita 457967-7 (450617-3)
szt Do koszyka
tabliczka identyfikacyjna Makita 865373-6
5,00 zł brutto / szt4,07 zł netto
- Producent: Makita Corporation
- Numer katalogowy: MA-865373-6
- Dostępność: Zazwyczaj do 5 dni roboczych po złożeniu i opłaceniu zamówienia
tabliczka identyfikacyjna do HP1631 Makita 865373-6
szt Do koszyka
pokrywa rękojeści Makita 158677-6
22,15 zł brutto / szt.18,01 zł netto
- Producent: Makita Corporation
- Numer katalogowy: MA-158677-6
- Dostępność: Zazwyczaj do 5 dni roboczych po złożeniu i opłaceniu zamówienia
pokrywa rękojeści Makita 158677-6 do HP1631 HP1630
szt. Do koszyka
uchwyt szczotek węglowych Makita 643566-3
3,15 zł brutto / szt2,56 zł netto
- Producent: Makita Corporation
- Numer katalogowy: MA-643566-3
- Dostępność: Dostępny od ręki
uchwyt szczotek węglowych (szczotkotrzymacz) do 6413 GD0603 HP1630 HP1631 Makita 643566-3
szt Do koszyka
szczotki węglowe 2szt. Makita CB85 194973-8 (stare 191998-3)
19,02 zł brutto / szt.15,46 zł netto
- Producent: Makita Corporation
- Numer katalogowy: MA-194973-8
- Dostępność: Dostępny od ręki
Produkt wycofany, dostępny tylko do wyczerpania zapasów, zamiennik 194973-8
szt. Do koszyka
kondensator Makita 645267-9 (stary 645200-1)
4,94 zł brutto / szt.4,02 zł netto
- Producent: Makita Corporation
- Numer katalogowy: MA-645267-9
- Dostępność: Zazwyczaj do 5 dni roboczych po złożeniu i opłaceniu zamówienia
kondensator Makita 645267-9 (stary 645200-1) do 3709 3710 4100KB 4112HS 4131 DP4011 DS4011 DS4012 HK0500 HK1820 HM1810 HP1630 HP1631 HP1640 HP1641 HR2810 HS7100 HS7611 JN3201 JS3201 UB1101 UC3520A UC4020A RP0900 RP1110C RT0700C
szt. Do koszyka
wyłącznik Makita 650586-0
62,13 zł brutto / szt.50,51 zł netto
- Producent: Makita Corporation
- Numer katalogowy: MA-650586-0
- Dostępność: Zazwyczaj do 5 dni roboczych po złożeniu i opłaceniu zamówienia
wyłącznik Makita 650586-0 do HP1631 HP1630 6413 MT814 MT815
szt. Do koszyka
wkręt Makita 265B67-9 (stary numer 266326-2)
1,00 zł brutto / szt0,81 zł netto
Najniższa cena z 30 dni to 0,70 zł
- Producent: Makita Corporation
- Numer katalogowy: MA-265B67-9
- Dostępność: Zazwyczaj do 5 dni roboczych po złożeniu i opłaceniu zamówienia
Makita 265B67-9 (stary numer 266326-2) wkręt do 9558HN DDF486 DDF492 DGA504 DGA506 DGA511 DGA521 DHP486 DHP492 DUR192L DUR193 GA5040C GA9070 GA9071 HP1631 HR2300 HR2600 HS7601 JR3051T SA5040C
szt Do koszyka
zacisk kabla Makita 687124-5 (zamiennik 687052-4)
4,52 zł brutto / szt.3,67 zł netto
- Producent: Makita Corporation
- Numer katalogowy: MA-687124-5
- Dostępność: Zazwyczaj do 5 dni roboczych po złożeniu i opłaceniu zamówienia
zacisk kabla Makita 687124-5 (zamiennik 687052-4) do 3709 4326 4327 4329 5008MG 5017RKB 5604R 6408 6413 9031 9032 9046 9237CB 9403 9562CVR 9565CLR 9566CVR 9910 9911 9920 BO3711 BO4556 BO4557 BO4565 BO5030 BO5031 BO5041 BO6030 BO6040 DLM382 DLM432 DLM460…
szt. Do koszyka
osłona kabla Makita 682502-4
13,46 zł brutto / szt.10,94 zł netto
- Producent: Makita Corporation
- Numer katalogowy: MA-682502-4
- Dostępność: Zazwyczaj do 5 dni roboczych po złożeniu i opłaceniu zamówienia
osłona kabla (odgiętka) Makita 682502-4 do 1911B 4326 4327 6408 6501 6510LVR 9031 9032 9741 9910 9911 BO4900V BO4901 BO5030 BO5031 BO5041 DP4700 GV5010 HP1630 HP1631 HP1641 HP1641F KP0800 N1923B UB1101 PJ7000 RT0700C RT0702C
szt. Do koszyka
przewód zasilający dwużyłowy W-6 H05RR-F 2x1,0 4,0 metry
22,50 zł brutto / szt18,29 zł netto
Najniższa cena z 30 dni to 22,50 zł
- Numer katalogowy: PRZA2_1_0_L-4000
- Dostępność: Dostępny od ręki
Kabel zasilający w gumowej osłonie, dwużyłowy 2 x 1,0mm2 długość 4,0 metry długości Stosowany w następujących grupach elektronarzędzi: frezarki górnowrzecionowe klucze udarowe mieszarki młotowiertarki nożyce do blach opalarki pilarki posuwowe (szablaste)…
szt Do koszyka
przewód zasilający dwużyłowy W-6 H05RR-F 2x1,0 5,0 metrów
26,00 zł brutto / szt21,14 zł netto
Najniższa cena z 30 dni to 26,00 zł
- Numer katalogowy: PRZA2_1_0_L-5000
- Dostępność: Dostępny od ręki
Kabel zasilający w gumowej osłonie, dwużyłowy 2 x 1,0 mm2 , długość 5,0 metrów długości Stosowany w następujących grupach elektronarzędzi: frezarki górnowrzecionowe klucze udarowe mieszarki młotowiertarki nożyce do blach opalarki pilarki posuwowe (szablaste)…
szt Do koszyka
przewód zasilający Makita 665383-1
29,45 zł brutto / szt.23,94 zł netto
Najniższa cena z 30 dni to 29,45 zł
- Producent: Makita Corporation
- Numer katalogowy: MA-665383-1
- Dostępność: Zazwyczaj do 5 dni roboczych po złożeniu i opłaceniu zamówienia
przewód zasilający Makita 665383-1 do BO3711 BO5031
szt. Do koszyka
rękojeść walizki Makita 419216-0
13,51 zł brutto / szt.10,98 zł netto
- Producent: Makita Corporation
- Numer katalogowy: MA-419216-0
- Dostępność: Zazwyczaj do 5 dni roboczych po złożeniu i opłaceniu zamówienia
rękojeść walizki Makita 419216-0 do HR2230 HR2460 HR2470 HR2470T HR2810 HR2811FT HK1820 HP1631 HP1630 HR2460F HR2470F 6936FD BDF451 BDF459 BHP444 BHP451 BHP459 BST221 BTD129 BTD133 BTD145 BTW152 BTW251 DDF480 DHP480 DTW152 BDF452 BHP452
szt. Do koszyka
walizka systemowa Makpac typ 1 Makita 821549-5
130,38 zł brutto / szt106,00 zł netto
- Producent: Makita Corporation
- Numer katalogowy: MA-821549-5
- Dostępność: Zazwyczaj do 5 dni roboczych po złożeniu i opłaceniu zamówienia
walizka systemowa Makpac typ 1 Makita 821549-5 do 4350FCT 4351CT 4351FCT DA3010F DA3011F DP4011 HP1640 HP1641 HP1641F HP2050 HP2051 HP2051F HP2071 HP2071F JV102 JV103
szt Do koszyka
walizka transportowa Makita 824811-7
146,25 zł brutto / szt118,90 zł netto
- Producent: Makita Corporation
- Numer katalogowy: MA-824811-7
- Dostępność: Zazwyczaj do 5 dni roboczych po złożeniu i opłaceniu zamówienia
walizka transportowa Makita 824811-7 do HP1631 HP1630
szt Do koszyka
wkład makpac Makita 838038-3
28,17 zł brutto / szt22,90 zł netto
- Producent: Makita Corporation
- Numer katalogowy: MA-838038-3
- Dostępność: Zazwyczaj do 5 dni roboczych po złożeniu i opłaceniu zamówienia
wkład makpac Makita 838038-3 do HP1640 HP1641 HP1641F HP1631 HP1630
szt Do koszyka




